Unlocking a Combination Lock Schematics

Schematic

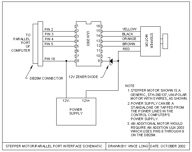
The main electronic schematic shows how to connect the components. It also has a parts list.

You can download it in three formats. Right-click on the links below to select the format. You can view the schematic online by left-clicking on the GIF format.

Schematic in GIF format
Schematic in DWG (AutoCAD) format
Schematic in WMF (Windows MetaFile) format


This page and its contents Copyright © 2006, Vince Long


Unlocking a Combination Lock Page