CodeCooker
Robotics Interface
  Version 2  



Project Description
With a wealth of old computers around, the resourceful robot builder can find most everything needed to make a simple, yet highly controlable robot, for practically free. We will see how this is done and how the robots are controlled with a simple program you can write.

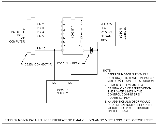
The robots featured on these pages use uni-polar stepper motors salvaged from old 5-1/4 inch disk drives. The also use a ULN2003 darlington array integrated circuit, also salvaged from the drive or available for less than 40 cents at various vendors. The motor is connected, via a cable, to the parallel (printer) port of a DOS/Windows computer. A 12-volt power supply is provided to the ULN2003 chip from the computer or an external power supply. The motor is controlled through software written in QuickBasic.

When I launched this page in 2002 I also made a presentation at the Montana Education Association Conference. The slide show I used in conjunction with the presentation is available below.


Slide Show From the Presentation
Slide Show - HTML Click on the link to the left to view the slide show presentation as web pages.
Slide Show - PDF Click on the link to the left to view the slide show presentation as a PDF file.


How-To Build the Robot
The Trainer The Trainer is a simple device that can be used to learn how to program the computer's parallel port. It consists of 8 Light Emitting Diodes and 5 push-button switches and a cable that connects to the parallel port.
The Basic
"How To" Page
This link will walk you through the bare essentials of getting a single stepper motor to turn using the parallel port of the computer.
Schematics Click or right-click on the links below to access the wiring diagrams in various formats.

DWG
GIF
WMF
The Software Click on the link to the left to go to the page with sample programs in QBasic.
00-inp.bas - Test parallel port input.
00-out.bas - Test parallel port output.
inkey.bas - Test arrow keys.
rob-004.bas - Full control program. Record moves and play back.
robsoc01.bas - Robot soccer.
teach.bas - Robot learning.

Related Web Sites
Mouser Electronics This is a well-stock electronic parts supplier.
Radio Shack Not as complete as they used to be but they have many useful parts and there are stores just about anywhere.
Robot Builders Bonanza A great book by Gordon McComb. McGraw-Hill/TAB Electronics. ISBN: 0071362967. 2nd edition (September 21, 2000). Clicking on the link to the left will take you Amazon.com.


Go Back to the Main Robotics Page

www.codecooker.com
Copyright © 2002, Vince Long